SKF6317-2Z
  • 型号:6317-2Z
  • 旧型号:- -
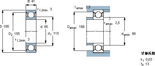
  • 厚度(B):41
  • 品牌:瑞典SKF轴承
  • 内径(d):85
  • 额定转速:--
  • 系列:
  • 外径(D):180
  • 极限转速:--
  • 静负荷:--
  • 动负荷:--
  • 备注:--
联系方式 热线电话:021-39528210 手机:13311937753 邮箱 564384742@qq.com

产品详情Product details


Copyright © 2006-2019 上海侠邑精密轴承有限公司
在线客服
服务热线

13311937753

021-39528210

上班时间

周一至周六

微信客服